<V.3版>
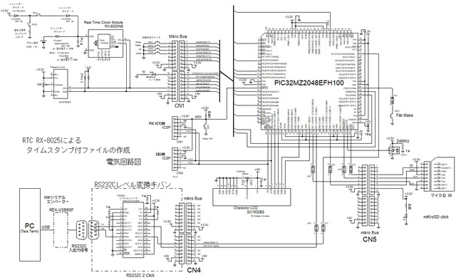
RTC RX-8025による
タイムスタンプ付ファイルの作成
(→プロジェクトファイル(Harmony Ver.3版 MHC v3.8.0) ダウンロード)
エプソンのRTC(Real Time ClocK) RX-8025による日付、時刻による タイムスタンプ付ファイルを作成した例を紹介します。
| ・PIC32MZによりタイムスタンプ付ファイルをSDカードの中に作成すること。 ・日付、時刻は I2Cインターフェースのエプソン RTC RX-8025により生成すること。 ・RTCは、電池によりバックアップされていること。 ・RTCは 電池交換時もバックアップがされるべく電気2重層コンデンサを有すること。 ・RTCの時刻は スイッチにより設定変更できること。 ・時刻はキャラクタ液晶で表示すること。 ・PIC32MZ起動直後、サブディレクトリを含む SDカード内の全ファイル数、及び全ファイル名を Tera Termに表示のこと。 ・押しボタンスイッチをクリックする毎に その時刻のタイムスタンプ付ファイルを1個生成のこと。 ・ファイルはルートディレクトリではなく、専用のサブディレクトリに作成すること。 ・ファイルが作成される毎に専用のサブディレクトリにある全ファイル数 及び全ファイルをTera Termに表示すること。 ・ファイル名は、当然のことながら同一ディレクトリ内では重複がなく、作成の年月日時分に関連したファイル名とする。 同一の分に複数のファイルを作成した場合は 原則として連番のファイル名となること。 (例) 2020年12月24日15時23分に作成した3個のファイル名の場合 Voice20201224_1523_1.mpg Voice20201224_1523_2.mpg Voice20201224_1523_3.mpg |
|
PIC32MZ評価ボード(→購入方法)、 mikroBUS 評価ボード DB004(→購入方法)、及びmikro BUS用 ユニバーサルキバンUN003(→購入方法)を使った実験品の外観です。 また、マイクロエレクトロニカ社の以下のキバンも使われています。 ① RS232Cレベル変換回路として、マイクロエレクトロニカ社の RS232 2 click(価格15ドル/個、mikro Bus(注)使用) ![]() ②マイクロSDカードのインターフェース用としてマイクロエレクトロニカ社の mikroSD click(価格12ドル/個、mikro Bus(注)使用) ![]() 尚、各キバンには本テーマと関係ない部品が多々実装されています。 |
<動作結果>
1. → 動画:1080pのHD動画を見ることができます。
(動画はVer 2.04版ですが、Ver.3 版も同様です)
2. Tera Term の ログ
3. エクスプローラによるファイルのタイムスタンプ
エクスプローラの更新日時に "秒"を表示することはできません。

4. コマンドプロンプトのログ( "秒" を含むタイムスタンプ)
DOS窓(コマンドプロンプト)に 秒を含むファイルのタイムスタンプを表示することができます。
5. RTCの時刻変更操作については、以下を参照してください。
I2Cインターフェース Real Time Clock RX-8025読み書き → URL
<追記>★ 古い(10年以上以前、2GB以下の容量)のマイクロSDカードの中には、リセットしないと起動できないものがいくつかあった。(→URL)
<解説> プロジェクトファイル精読願います